Kliknij, aby pokazać więcej produktów.
Nie znaleziono żadnych produtów.

Produkty powiązane

500,00 zł
Uniwersalny przetwornik dowolnego sygnału standardowego na częstotliwość impulsów, wypełnienie PWM, z funkcją sygnalizatora granicznego, 2 wyjścia, programowalny przez USB

COMBO-A

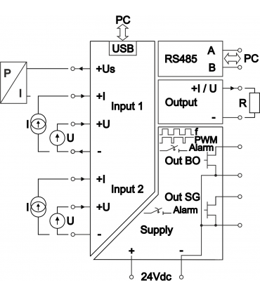
Uniwersalny przetwornik dowolnego standardowego sygnału analogowego na częstotliwość impulsów, wypełnienie PWM, z funkcją sygnalizatora granicznego, programowalny przez USB lub RS485 Modbus

882,00 zł

Opis

Wejścia:

  • Dwa uniwersalne: -2...30mA, -1...30V lub dowolny podzakres.
  • Napięcie zasilania pomocniczego dla jednego przetwornika dwuprzewodowego.

Wyjścia:

  • Jedno analogowe 0,2/4...20mA, 0,1...10V wg zamówienia.
  • Dwa optoprzekaźnikowe 50V/100mA.
  • RS485 Modbus, USB.

Zasilanie:

  • 24VDC.

Dodatkowe informacje:

  • Przykładowe zastosowania programowalne przez USB oraz RS485 Modbus:
    • - sterowanie częstotliwością impulsów,
    • - jednoczesne sterowanie częstotliwością i wypełnieniem PWM,
    • - sygnalizator graniczny,
    • - odczyt wartości z innych urządzeń przez Modbus i użycie ich do sterowania wyjściami,
    • - udostępnienie przez Modbus pomiarów wejść analogowych,
    • - 10-punktowa tabela aproksymacyjna.
  • Obudowa 12,5mm.
  • Obwody wejść, wyjść i zasilania odseparowane galwanicznie.
  • Więcej informacji w: KARTA KATALOGOWA (ściągnij).

Produkty powiązane

500,00 zł
Uniwersalny przetwornik dowolnego sygnału standardowego na częstotliwość impulsów, wypełnienie PWM, z funkcją sygnalizatora granicznego, 2 wyjścia, programowalny przez USB
73 innych produktów w tej samej kategorii:

816,00 zł
Przetwornik dowolnego sygnału standardowego na częstotliwość impulsów

500,00 zł
Przetwornik dowolnego sygnału standardowego na wypełnienie PWM, dwa wyjścia, programowalny przez USB

387,00 zł
Przetwornik-separator sygnału analogowego na wyjściowy sygnał PWM mocy, wspólny zacisk "-" wyjścia i zasilania

900,00 zł
Przełącznik napięciowych sygnałów analogowy, bezudarowa zmiana sterowania

668,00 zł
Lupa sygnałowa, rozciągnięcie podzakresu wejściowego na pełny zakres wyjściowy

500,00 zł
Przetwornik dowolnego sygnału standardowego na częstotliwość impulsów, 2 wyjścia, programowalny przez USB

1 045,00 zł
Szybki blok wyboru największego sygnału analogowego z separacją obwodów

2 261,00 zł
Tablicowy, pięciokanałowy wskaźnik cyfrowy, sygnalizator graniczny

454,00 zł
Przetwornik-separator sygnału analogowego na wyjściowy sygnał PWM mocy, wersja wysokoprądowa

521,00 zł
Konwerter-separator sygnału analogowego na transmisję RS485 MODBUS RTU

540,00 zł
Przetwornik częstotliwości impulsów na dowolny sygnał analogowy, opcjonalnie z dodatkowym wyjściem częstotliwościowym

545,00 zł
Przetwornik temperatury na 4-20mA, programowalny, dwuprzewodowy, z alarmem

907,00 zł
Symulator repetytor izolator rezystancji, czujnika temperatury np. Pt100, cyfrowy rezystor dekada, wymagany stały (co najmniej 2 sekundy) prąd pomiarowy symulowanej rezystancji

907,00 zł
Symulator repetytor izolator rezystancji, czunika temperatury np. Pt100, przystosowany do multipleksowanego prądu pomiarowego symulowanej rezystancji

500,00 zł
Uniwersalny przetwornik dowolnego sygnału standardowego na częstotliwość impulsów, wypełnienie PWM, z funkcją sygnalizatora granicznego, 2 wyjścia, programowalny przez USB

719,00 zł
Blok funkcji arytmetyczno-logicznych na sygnałach analogowych z separacją obwodów

907,00 zł
Potencjometr sterowany analogowym sygnałem standardowym lub RS485 Modbus, cyfrowy potencjometr

784,00 zł
Programowalny przetwornik niskich częstotliwości impulsów na standardowy sygnał analogowy, duża dokładność pomiaru częstotliwości poniżej 1kHz, np. 50Hz

405,00 zł
Dwuprzewodowy przetwornik temperatury, rezystancji, głowicowy, podłączenie 3-przewodowe

593,00 zł
Przetwornik dużego sygnału prądowego na częstotliwość impulsów

622,00 zł
Przetwornik częstotliwości impulsów na dwuprzewodowy sygnał 4...20mA

839,00 zł
Przetwornik dla przetworników dwuprzewodowych 4...20mA na częstotliwość impulsów

454,00 zł
Dzielnik częstotliwości impulsów wejściowych z podziałem ustawianym przełącznikiem

686,00 zł
Programowalny przetwornik częstotliwości impulsów na standardowy sygnał analogowy

703,00 zł
Dwuprzewodowy 4...20mA przetwornik małych prądów, napięć, np. do ochrony katodowej

306,00 zł
Dwuprzewodowy przetwornik temperatury, rezystancji, podłączenie 2- lub 4-przewodowe, bez separacji

540,00 zł
Przetwornik wypełnienia PWM na standardowy sygnał analogowy i wypełnienie PWM

739,00 zł
Przetwornik RMS prądu lub napięcia AC+DC, ustawialna stała czasowa oraz funkcja przetwarzania

371,00 zł
Dwuprzewodowy przetwornik temperatury, rezystancji, głowicowy, podłączenie 2-przewodowe

205,00 zł
Dwuprzewodowy przetwornik temperatury, rezystancji, podłączenie 2- lub 3-przewodowe, bez separacji

320,00 zł
Przetwornik dowolnego sygnału standardowego na częstotliwość impulsów, wspólny zacisk "-" dla wyjścia i zasilania

Menu