Kliknij, aby pokazać więcej produktów.
Nie znaleziono żadnych produtów.

Funkcyjne, matematyczne

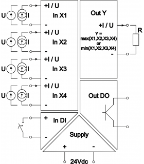
Urządzenia przetwarzają sygnały wejściowe (analogowe lub dwustanowe) zgodnie z wybraną zaprogramowaną funkcją matematyczną na standardowy sygnał analogowy automatyki przemysłowej (0-10V, 4-20mA itp.). Do wyboru jest:

  • suma, różnica,
  • iloraz, iloczyn,
  • pierwiastek kwadratowy,
  • wybór większego, mniejszego sygnału,
  • faza,
  • różniczka.
Filtruj według

719,00 zł
Blok funkcji arytmetyczno-logicznych na sygnałach analogowych z separacją obwodów

1 045,00 zł
Szybki blok wyboru największego sygnału analogowego z separacją obwodów

882,00 zł
Uniwersalny przetwornik dowolnego standardowego sygnału analogowego na częstotliwość impulsów, wypełnienie PWM, z funkcją sygnalizatora granicznego, programowalny przez USB lub RS485 Modbus

900,00 zł
Przełącznik napięciowych sygnałów analogowy, bezudarowa zmiana sterowania
Pokazano 1-9 z 9 pozycji

Menu