Kliknij, aby pokazać więcej produktów.
Nie znaleziono żadnych produtów.

Produkty powiązane

719,00 zł
Blok funkcji arytmetyczno-logicznych na sygnałach analogowych z separacją obwodów

BW-S2

Szybki blok wyboru największego sygnału analogowego z separacją obwodów

1 045,00 zł

Opis

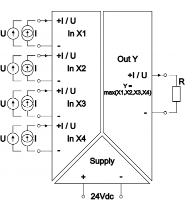
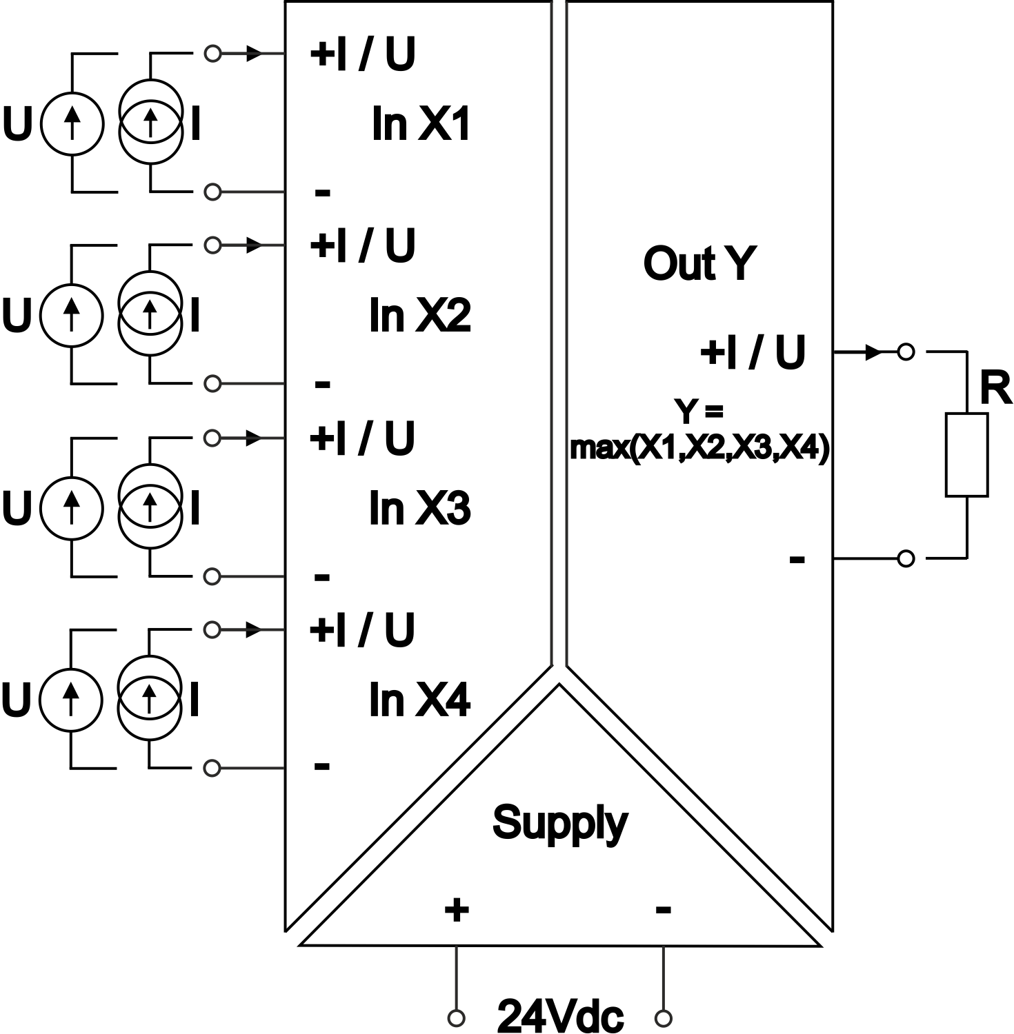
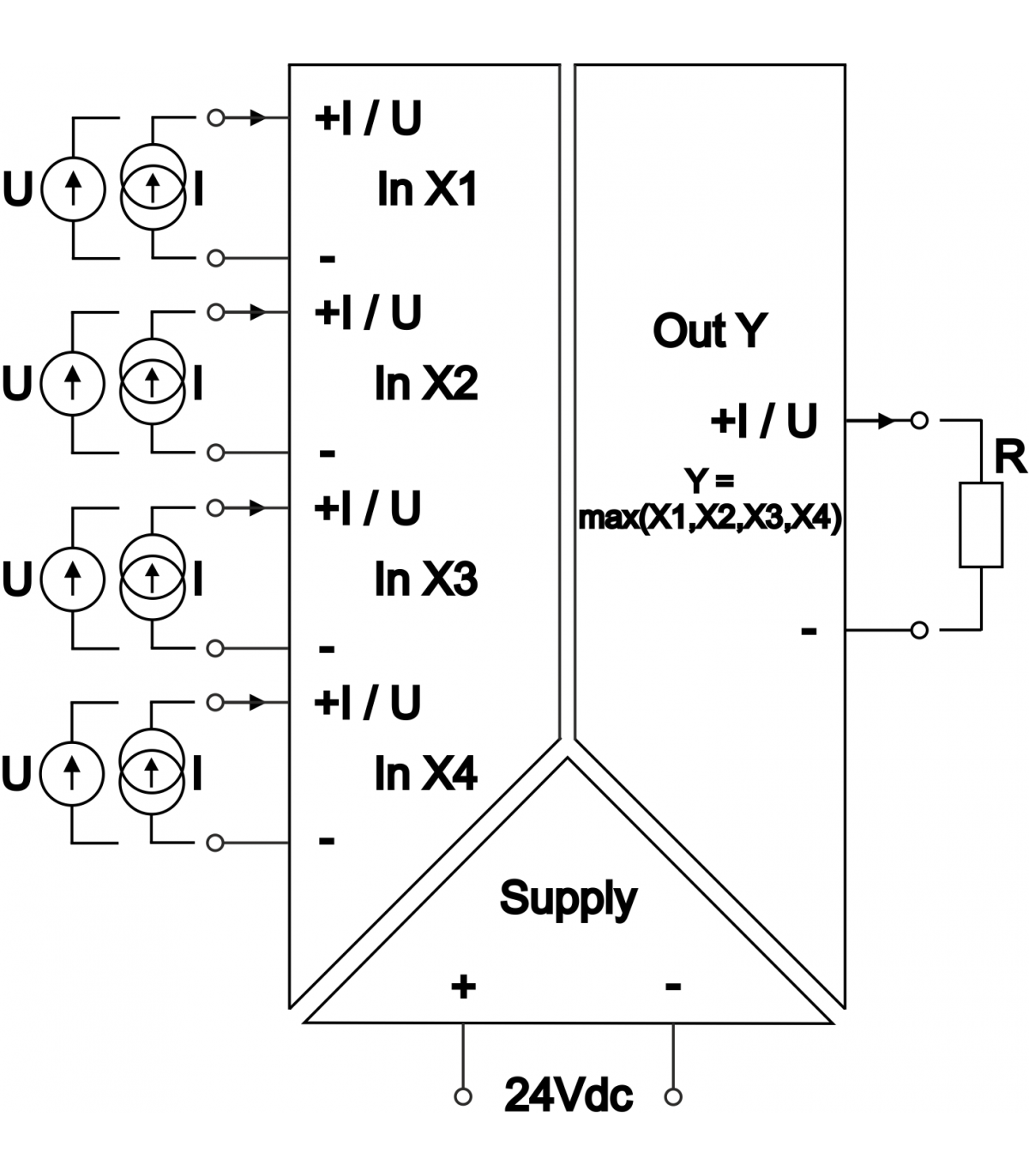
Wejścia:

  • 4 dowolne sygnały standardowe wg zamówienia (0...10V, 0/4...20mA itp.).

Wyjście:

  • 1 dowolny sygnał standardowy wg zamówienia (0...10V, 0/4...20mA itp.) realizujący największy spośród sygnałów wejściowych.
  • Czas odpowiedzi wyjścia na skok jednostkowy wejścia: 10ms.

Zasilanie:

  • 24VDC.

Dodatkowe informacje:

  • Obwody wejścia, wyjścia i zasilania wzajemnie odseparowane galwanicznie.
  • 1 tor w obudowie listwowej.
  • Więcej informacji w: KARTA KATALOGOWA (ściągnij).

Produkty powiązane

719,00 zł
Blok funkcji arytmetyczno-logicznych na sygnałach analogowych z separacją obwodów
8 innych produktów w tej samej kategorii:

900,00 zł
Przełącznik napięciowych sygnałów analogowy, bezudarowa zmiana sterowania

882,00 zł
Uniwersalny przetwornik dowolnego standardowego sygnału analogowego na częstotliwość impulsów, wypełnienie PWM, z funkcją sygnalizatora granicznego, programowalny przez USB lub RS485 Modbus

719,00 zł
Blok funkcji arytmetyczno-logicznych na sygnałach analogowych z separacją obwodów

Menu