Kliknij, aby pokazać więcej produktów.
Nie znaleziono żadnych produtów.

Produkty powiązane

Zapytaj o cenę
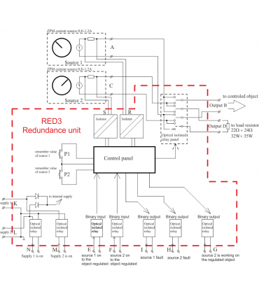
Moduł redundancji do redundantnego podłączenia jednego z dwóch wzmacniaczy WZM do obiektu regulowanego przez DCS

RED3

Moduł redundancji do redundantnego podłączenia jednego z dwóch źródeł prądowych ZPM do obiektu regulowanego przez DCS

Opis

Wejścia:

  • Dwa wejścia dla prądów z dwóch źródeł prądowych.
  • Dwa wejścia pomiarowe dla sygnałów z boczników mierzących w.w prądy.
  • Dwa wejścia binarne wymuszające przełączenie.

Wyjścia:

  • Dwa wyjścia przełączające prądy wejściowe na obiekt regulowany i sztuczne obciążenie rezystancyjne.
  • Pięć wyjść binarnych sygnalizujących: awarie źródeł, poprawność podłączenia zasilań, które źródło jest podłączone na obiekt regulowany.

Zasilanie:

  • 24VDC (redundancja).

Dodatkowe informacje:

  • Algorytm wyboru właściwego źródła prądowego i powiadamianie systemu DCS.
  • Moduł RED3 monitoruje wartość obu prądów i podłącza do obiektu regulowanego (np. cewki pilota zaworu) właściwe źródło prądowe ZPM. W przypadku odchyłki od skalibrowanej wartości prądu nastąpi przełączenie na drugie źródło i zasygnalizowanie błędu pierwszego.
  • Więcej informacji w: KARTA KATALOGOWA (ściągnij).

Produkty powiązane

13 innych produktów w tej samej kategorii:

432,00 zł
Przetwornik-separator sygnału analogowego na wyjściowy sygnał PWM mocy, wersja wysokoprądowa

857,00 zł
Przełącznik napięciowych sygnałów analogowy, bezudarowa zmiana sterowania

387,00 zł
Przetwornik-separator sygnału analogowego na wyjściowy sygnał PWM mocy, wspólny zacisk "-" wyjścia i zasilania

Menu