Kliknij, aby pokazać więcej produktów.
Nie znaleziono żadnych produtów.

Produkty powiązane

Zapytaj o cenę
Moduł redundancji do redundantnego podłączenia jednego z dwóch źródeł prądowych ZPM do obiektu regulowanego przez DCS

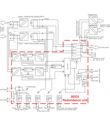
RED2

Moduł redundancji do redundantnego podłączenia jednego z dwóch wzmacniaczy WZM do obiektu regulowanego przez DCS

Opis

Wejścia:

  • Dwa wejścia dla prądów z dwóch wzmacniaczy prądowych.
  • Dwa wejścia pomiarowe dla sygnałów z boczników mierzących w.w prądy.
  • Dwa wejścia pomiarowe prądu 4-20mA sterującego wzmacniaczami.
  • Dwa wejścia binarne wymuszające przełączenie.

Wyjścia:

  • Dwa wyjścia przełączające prądy wejściowe na obiekt regulowany i sztuczne obciążenie rezystancyjne.
  • Dwa wyjścia pomiarowe prądów wyjściowych (napięcie z bocznika).
  • Pięć wyjść binarnych sygnalizujących: awarie wzmacniaczy, poprawność podłączenia zasilań, który wzmacniacz jest podłączony na obiekt regulowany.

Zasilanie:

  • 24VDC (redundancja).

Dodatkowe informacje:

  • Algorytm wyboru właściwego wzmacniacza i powiadamianie systemu DCS.
  • Moduł RED2 monitoruje wartość obu prądów i podłącza do obiektu regulowanego (np. cewki pilota zaworu) właściwy wzmacniacz WZM. W przypadku odchyłki od skalibrowanej wartości prądu nastąpi przełączenie na drugi wzmacniacz i zasygnalizowanie błędu pierwszego.
  • Więcej informacji w: KARTA KATALOGOWA (ściągnij).

Produkty powiązane

13 innych produktów w tej samej kategorii:

900,00 zł
Przełącznik napięciowych sygnałów analogowy, bezudarowa zmiana sterowania

454,00 zł
Przetwornik-separator sygnału analogowego na wyjściowy sygnał PWM mocy, wersja wysokoprądowa

387,00 zł
Przetwornik-separator sygnału analogowego na wyjściowy sygnał PWM mocy, wspólny zacisk "-" wyjścia i zasilania

Menu