Kliknij, aby pokazać więcej produktów.
Nie znaleziono żadnych produtów.

Produkty powiązane

Brak przedmiotów

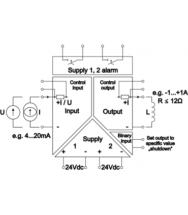
WZM-±1A

Wzmacniacz do sterowania zaworem, siłownikiem, hamulcem

Opis

Wejście:

  • Dowolny sygnał standardowy wg zamówienia (0...10V, 0/4...20mA itp., np. z karty DCS OVATION firmy EMERSON).

Wyjścia:

  • WZM-A: -1A ... +1A (możliwa modyfikacja parametrów wg potrzeb).
  • WZM-B: +1A ... -1A (możliwa modyfikacja parametrów wg potrzeb). 
  • Rezystancja cewki: ROBC ≤ 12Ω.

Zasilanie:

  • 24VDC.

Dodatkowe informacje:

  • Obwody wejścia, wyjścia i zasilania wzajemnie odseparowane galwanicznie.
  • 1 tor w obudowie listwowej.
  • Więcej informacji w: KARTA KATALOGOWA (ściągnij).

Produkty powiązane

Brak przedmiotów
13 innych produktów w tej samej kategorii:

454,00 zł
Przetwornik-separator sygnału analogowego na wyjściowy sygnał PWM mocy, wersja wysokoprądowa

387,00 zł
Przetwornik-separator sygnału analogowego na wyjściowy sygnał PWM mocy, wspólny zacisk "-" wyjścia i zasilania

900,00 zł
Przełącznik napięciowych sygnałów analogowy, bezudarowa zmiana sterowania

Menu