Click for more products.
No produts were found.

Related products

As 560

Manual setting device, manual or auto operation

233.00 €

Description

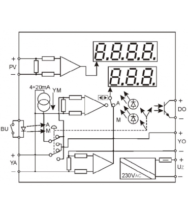
Input signal indication:

  • Programmable in physical units.

Type of work indication:

  • Front panel + feedback signal to the controller.
  • Emergency switchover of type of work - BACKUP (potentiometer setting).

Power supply:

  • 24VDC or 230VAC.

Additional information:

  • Setting control signal 4...20mA by incremental buttons.
  • Non-impulse switching: Auto-Manual; manual switch M-A.
  • Output and power supply circuits galvanically separated from each other.
  • 1 channel in rail housing.
  • More information in: DATASHEET (download).

Related products

2 other products in the same category:

Menu