Kliknij, aby pokazać więcej produktów.
Nie znaleziono żadnych produtów.

Produkty powiązane

Brak przedmiotów

SB-L1

Separator dwustanowy, binarny, 1 tor

346,00 zł

Opis

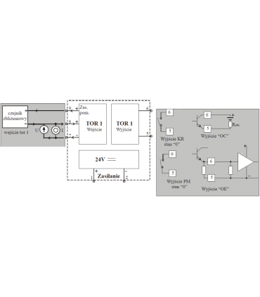
Wejście:

  • Zasilanie pomocnicze dla czujnika zbliżeniowego, styk lub klucz tranzystorowy, czujnik Halla do komparacji prądu, napięcie lub prąd z histerezą.

Wyjście:

  • Zestyki przekaźnika lub OC.
  • Możliwe wykonanie wyjścia z aktywną falą prostokątną o poziomach 0V / ?V (amplituda do zdefiniowania przy zamówieniu).

Zasilanie:

  • 24VDC.

Dodatkowe informacje:

  • Obwody wejścia, wyjścia i zasilania wzajemnie odseparowane galwanicznie.
  • 1 tor w obudowie listwowej.
  • Więcej informacji w: KARTA KATALOGOWA (ściągnij).

Produkty powiązane

Brak przedmiotów
14 innych produktów w tej samej kategorii:

882,00 zł
Uniwersalny przetwornik dowolnego standardowego sygnału analogowego na częstotliwość impulsów, wypełnienie PWM, z funkcją sygnalizatora granicznego, programowalny przez USB lub RS485 Modbus

532,00 zł
Separator dwustanowy, binarny, alarm uszkodzenia obwodu, 2 tory

429,00 zł
Separator dwustanowy, powielacz binarny, 1 lub 2 tory, zasilanie pomocnicze 8,2 VDC

540,00 zł
Przetwornik częstotliwości impulsów na dowolny sygnał analogowy, opcjonalnie z dodatkowym wyjściem częstotliwościowym

454,00 zł
Dzielnik częstotliwości impulsów wejściowych z podziałem ustawianym przełącznikiem

396,00 zł
Separator dwustanowy, binarny, alarm uszkodzenia obwodu, 1 tor

Menu